首页常见问题 机械消泡的消泡原理是什么?优点有那些?

机械消泡的消泡原理是什么?优点有那些?

2018年11月08日09:26 

想要摆脱泡沫困扰吗?机械消泡的消泡原理是什么?优点有那些?小编在此一一道来,机械消泡助力企业环保生产顺利开展。

机械消泡的消泡原理:

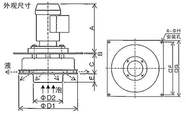
机械消泡是利用离心力来破碎生产过程中产生的泡沫,使气液分离,高速旋转的叶轮提供的剪切力撕碎气泡,气泡释放出的液体立即被离心力摔向内筒壁,泡沫撞击内筒壁而被击破转变为液体,并压缩为液流重新回到液体中,减少逃液损失。

机械消泡.jpg

机械消泡的优点:

1.省时省力:机械消泡代替了传统人工添加化学药剂,无需专门在旁看管,省时、省力,减少了人力费用;

2.低碳环保,源头不添加化学药剂,减少COD排量,节约了污水处理成本;

3.提升产品品质,排除因使用消泡剂造成产品品质的隐患;

4.节约成本,节省了一笔用于化学药剂的不小开支;

5.操作简单,机台与原作业机台实现联动控制,一键智能操作,不需要担心因为忘记加入消泡剂而使泡沫超出上限;

6.省心方便,不用考虑不同的液体而去采取不同的消泡剂;

微信号已复制,请打开微信添加咨询详情!
澳门灵蛇网4949-香港灵蛇网论坛资料大全最新-灵蛇网4846cc最新版本更新内容-灵蛇网4668cc-灵蛇澳门2025年今晚看 香港六玄开奖网-六玄网132432-六玄神马开奖44579-六玄公式6588777-六玄神马免费中特料-澳彩六玄网论坛6258cmcc 天游8线路检测中心|欢迎您 灵蛇澳门2025年今晚看-灵蛇网4846cc-灵蛇网免费资料大全--灵蛇网4846cc最新版本更新内容-澳门灵蛇网4949 辉耀彩 - 首页 祥顺彩票|主页